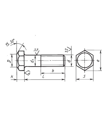
Обеспечьте надежную фиксацию крановых рельс с помощью специализированного крепежа. Болты для упорных и прижимных планок — ключевой элемент безопасности.
ТД "ТрансМет" предлагает профессиональное изготовление упорных и прижимных железнодорожных планок любой сложности в в Костроме, с безупречным соответствием вашим техническим требованиям и чертежам.
ТД "ТрансМет" предлагает к выбору ассортимент высококачественных креплений для крановых путей ведущих мировых производителей: Gantrex, Gantrail, Beket и RWS.
Крючья для крановых рельс предназначены для надежного крепления подкрановых рельсов к подкрановым балкам. Обеспечивают фиксацию и восприятие динамических нагрузок.
Накладка стыковая марок КР70, КР80, КР100 и КР120 предназначается для закрепления крановых рельс. Крановые стыковые накладки имеют специальные отверстия для стыковых болтов.
Планка прижимная П1 является основополагающим элементом крепежа крановых рельс.Применяется для фиксации рельс с подкрановой стальной балкой мостовых электрических кранов.
Прижимная планка марки П2 является основополагающим материалом для закрепления крановых рельс.Планка применяется для фиксации рельс со стальной подкрановой балкой в электрических мостовых кранах.
Одним из элементов крановых рельс является планка упорная У1.Применяется она для фиксации рельс с подкрановой стальной балкой в мостовых электрических кранах. Упорная планка У1 может использоваться при пониженных температурах.
Одним из элементов крановых рельс является планка упорная У2.Применяется она для фиксации рельс с подкрановой стальной балкой в мостовых электрических кранах. Упорная планка У2 может использоваться при пониженных температурах.
Планка упорная У3 является одним из элементов крановых рельс.Применяется для фиксации рельс со стальной подкрановой балкой в мостовых электрических кранах. Данная продукция может эксплуатироваться при пониженных температурах.
ГOCT Р 51685-2013
ГOCT 6368-82
Р-8 — ГOCT 6368-82
ГОСТ 6726-53
624002, Россия, Свердловская область, г. Арамиль, ул. Гарнизон, 3В
Подтвердите пожалуйста согласие с нашей политикой конфиденциальности